Présentation du modèle 1
Ce petit lampemètre était fourni dans les années 60
avec le cours de Radio de la société EURELEC. Ce
type de cours et d'appareils étaient plus connus en Allemagne sous
le nom EURATELE et ELETTRA en Italie.
Il était couplé avec un multimètre réglé sur le calibre 1mA continu.
La partie mesure 1mA de contrôleur est schématisée plus loin.
Ce type de lampemètre ne pouvait concurrencer les modèles professionnels. Il ne permettait d'apprécier que le pouvoir émissif de la cathode d'un tube et d'éventuels court-circuits des grilles. Pas de mesure de pente et autres caractéristiques ...
Ce type de lampemètre ne pouvait concurrencer les modèles professionnels. Il ne permettait d'apprécier que le pouvoir émissif de la cathode d'un tube et d'éventuels court-circuits des grilles. Pas de mesure de pente et autres caractéristiques ...
Pour un tube donné, le guide Eurelec donne 3 points de réglage:
- La tension chauffage du filament
- La configuration de câblage en mode diode
- le reglage de courant anodique (essais d'émission)
Cadran et schéma simplifié du multimètre EURELEC
Sur le calibre 1mA CC, le schéma équivalent du contrôleur est montrer ci-dessous.
La déviation maximale, en courant continu, est obtenue lorsqu'il est traversé avec une intensité de 1mA.
Sa résistance interne est de 72Ω. La tension à ses bornes est alors de 72mV.
Schéma électrique du lampemètre
Exemple d'utilisation
Eurelec préconisait pour tester les tubes ne figurant pas dans le guide fourni,
les branchements suivants :
A : correspond à la haute tension positive et B : la masse (0V), puis
d'utiliser un tube BON comme référence du potentiomètre d'Essai d'émission.
| Cathode | Grille1 | Grille2 | Grille3 | Anode | |
| Diode | B | — | — | — | A |
| Triode | B | B | — | — | A |
| Tétrode | B | B | A | — | A |
| Penthode | B | B | A | B | A |
Principe de fonctionnement
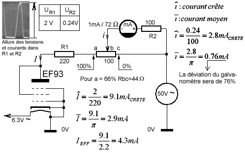
Dans le cas d'une penthode EF93, le guide donne :


Pour faciliter la lecture du schéma lorsque la penthode et le contrôleur sont
branchés, on donne un schéma synthétique ci-dessous. Il montre
le principe de fonctionnement de ce testeur de lampe. On applique une tension
alternative entre cathode et anode du tube fonctionnant ici en redresseur.
La tension crête
d'anode est de 71V. Les mesures de tensions aux bornes de R1 et R2 permettent
de déterminer les courants crêtes (et moyens en divisant par \(\pi\)).
Lorsque que le potentiomètre
Ce type de multimètre, quand il est traversé par un courant sinusoïdale mono-redressé, affiche une valeur proche de cette valeur moyenne. Il semble que le constructeur donne une position de potentiomètre d'émission à 75% de déviation pour la caractéristique nominale. Les petits écarts mesures/calculs sont sans doute dus à la précision des résistances.
Lorsque que le potentiomètre
ESSAI d'EMISSIONest en position 64%, cela signifie qu'une résistance de 44Ω est en parallèle avec l'ensemble multimètre + 100Ω.
Ce type de multimètre, quand il est traversé par un courant sinusoïdale mono-redressé, affiche une valeur proche de cette valeur moyenne. Il semble que le constructeur donne une position de potentiomètre d'émission à 75% de déviation pour la caractéristique nominale. Les petits écarts mesures/calculs sont sans doute dus à la précision des résistances.
Guide des combinaisons du testeur EURELEC
| Tube | Support | Chauff. | C1 |
| C2 | C3 | C4 | C5 | C6 | C7 |
| C8 | C9 | CAP | Page | EMIS. |
Sous réserve des erreurs contenues dans le guide fourni par Eurelec
Merci à Michel Marignan pour le gros travail de numérisation des cours Eurelec.
Merci à Michel Marignan pour le gros travail de numérisation des cours Eurelec.
Adaptateur pour autre galvanomètre
Si on ne dispose pas du multimètre décrit plus haut, on peut intercaler un adaptateur entre le lampemètre Eurelec et un galvanomètre plus courant.
Un exemple est donné pour une adaptation à un cadre mobile Monacor 100µA / 1K. Ce cadre dévie à son maximum pour une tension de 0.1V à ses bornes.
Pour adapter ce montage à vos fonds de tiroir ou à votre multimètre, il suffit d'adapter \(R_2\) à l'aide de la relation suivante en connaissant la sensibilité \(V_S\) du cadre mobile ou du multimètre (en volt) $$V_S = I_1.R_2 \Rightarrow R_2=1000.V_s$$ Pour assurer la compatibilité avec le contrôleur Eurelec, R1 devra toujours être égale à \(72\Omega\).
Pour une graduation de 0 à100, voici les zones de lecture :
Pour adapter ce montage à vos fonds de tiroir ou à votre multimètre, il suffit d'adapter \(R_2\) à l'aide de la relation suivante en connaissant la sensibilité \(V_S\) du cadre mobile ou du multimètre (en volt) $$V_S = I_1.R_2 \Rightarrow R_2=1000.V_s$$ Pour assurer la compatibilité avec le contrôleur Eurelec, R1 devra toujours être égale à \(72\Omega\).
Pour une graduation de 0 à100, voici les zones de lecture :
- 0 à 42 : MAUVAISE
- 42 à 58 : ? (PASSABLE)
- 58 à 100 : BONNE
Un exemple d'implémentation à base d'un AmpliOp basse tension d'alimentation est donné ci-contre. La spécification de l'ampliOp est disponible ici
ICL-7611
Sources et références
[1] Le guide d'utilisation du lampemètre Eurelec - Eurelec.net et Jean-Marie HUBIN (304Mo)




